Cũng như ampe kế hay ôm kế, vôn kế là một trong những dụng cụ điện rất quan trọng. Vậy sản phẩm này là gì? Cấu tạo của vôn kế ra sao? Nó có ứng dụng gì và cách sử dụng như thế nào? Hãy cùng VietChem tìm hiểu rõ hơn trong bài viết dưới đây nhé.
Vôn kế là gì?
Đó là một dụng cụ điện tử được dùng để đo sự khác biệt tiềm năng hoặc điện áp giữa hai điểm trong mạch điện hay điện tử. Hiểu theo một cách đơn giản khác, vôn kế hay Volt kế (Volt – tên viết tắt của Alessandro Volta, nhà vật lý người Ý) là dụng cụ đo điện được sử dụng để đo hiệu điện thế giữa hai đầu đoạn mạch (hoặc các dụng cụ điện khác).
Đơn vị đo là Vôn, ký hiệu là V.

Vôn kế là gì?
Lịch sử ra đời của vôn kế
Các nguyên lý cơ bản của Vôn kế đã được Hans Christian Oersted (1777-1851), nhà vật lý người Đan Mạch phát minh vào năm 1820, khi ông phát hiện rằng một dòng điện trong dây tạo ra từ trường xung quanh nó. Ampe kế đầu tiên là vôn kế nhạy dùng để đo dòng điện, được sử dụng bởi André Ampère, nhà vật lý người Pháp vào năm 1820.
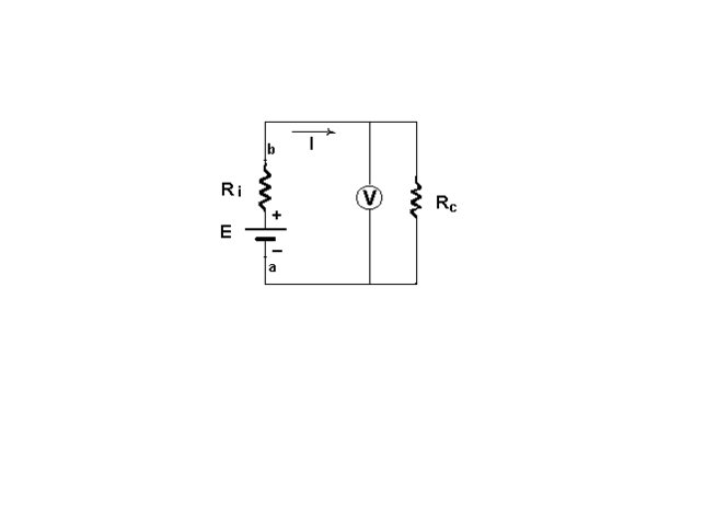
Tìm hiểu về cấu tạo của vôn kế
Vôn kế analog cơ bản bao gồm một điện kế nhạy cảm (dụng cụ dùng để đo hiệu điện thế hiện tại nối tiếp với điện trở cao. Với điều kiện điện trở trong volt phải cao. Mặt khác, cấu tạo của vôn kế thu hút dòng điện đáng kể và làm gián đoạn hoạt động của mạch khi thực hiện thử nghiệm. Dụng cụ này sử dụng kim hiển thị điện tử trên phần mặt đồng hồ của thiết bị.
Trong phòng thí nghiệm, nó thường có phạm vi tối đa từ 1000 – 3000 V. Ở hầu hết thiết bị thương mại sẽ có thang đo khác nhau như 0 -1 V, 0 – 10 V, 0 – 100 V, 0 – 1000V. Đối với ngành điện toán sử dụng phù hợp sản phẩm như phòng thí nghiệm tiêu chuẩn (do hiệu điện thế được đo ở mức trung bình, thường giữa 1V và 15V).
Thông thường, các vôn kế analog được dùng để đo điện áp từ một phần của Volt đến vài nghìn Volt. Ngược lại, Volt kế kỹ thuật lại có độ chính xác cao hơn, thường dùng để đo điện áp rất nhỏ trong phòng thí nghiệm cùng các thiết bị điện tử.

Vôn kế analog được dùng để đo điện áp từ một phần của Volt đến vài nghìn Volt
>>>XEM THÊM:Aflatoxin là gì? Tính chất đặc trưng và các thông tin cần biết
Nguyên lý hoạt động của vôn kế
Nguyên lý chung: nó phải được mắc song song với đối tượng muốn đo điện áp (do vôn kế có hiệu điện thế cao, hiệu điện thế sẽ gần như bằng không nếu mắc nối tiếp). Trong các mạch song song, hiệu điện thế đều giống nhau trong từng điểm. Do đó, nguồn và dụng cụ này sẽ luôn có hiệu điện thế bằng nhau.
Về lý thuyết: để có được một vôn kế lý tưởng, bạn cần lắp đặt nguồn điện trở vô cực để dòng điện thu hút gần như bằng không. Bởi vì, theo cách này sẽ không làm mất năng lượng trong thiết bị. Tuy nhiên, trong thực tế việc làm đó không khả thi vì không có bất cứ vật liệu, thiết bị nào có sức đề kháng vô hạn.

Cấu tạo của vôn kế như thế nào? Sơ đồ phác thảo về mạch điện vôn kế
Vôn kế dùng để làm gì?
Với thiết bị điện tử này, bạn có thể đo điện áp hay đo sự chênh lệch hiệu điện thế giữa hai điểm của mạch điện một cách an toàn và hiệu quả nhất. Đồng thời, vẫn giữ nguyên điện áp của mạch như ban đầu.
Mặt khác, nó còn được ứng dụng trong một số trường hợp như đo điện áp của phích cắm cho căn cứ xác định phích cắm đã hỏng hay không.
Dùng để xác định xem pin đã được sạc hay xả. Khi xe không khởi động, có thể dùng chúng để đo điện áp ắc quy xem có vấn đề gì không.
Cách sử dụng vôn kế đơn giản, chính xác
- Trước tiên, cần lựa chọn thiết bị có giới hạn đo phù hợp với độ lớn của hiệu điện thế
- Tiến hành kiểm tra và điều chỉnh lại vị trí của kim chỉ trên mặt đồng hồ chỉ về đúng vạch 0
- Mắc chốt dương của vôn kế với cực dương của nguồn điện và tương tự cực âm mắc với chốt âm của thiết bị.
- Đóng mạch để xác định giá trị hiệu điện thế đo được từ mạch thông qua vị trí của kim chỉ
Các loại vôn kế thông dụng nhất hiện nay
- Vôn kế có rất nhiều loại khác nhau nhưng có một số phổ biến như: Vôn kế sắt, cảm ứng, tĩnh điện, nam châm vĩnh cửu, chỉnh lưu, kỹ thuật số.

Hình ảnh về vôn kế kỹ thuật số
- Ở những vôn kế được dùng để đo điện áp cao và nguy hiểm thường được trang bị thêm lớp cách điện giữa các điểm kiểm tra và người người sử giúp ngăn ngừa điện giật.
- Có những volt kế được chế tạo để đo mức điện áp thấp trong các vật thể nhỏ như chip máy tính với độ chính xác rất lớn. Chúng thường rất nhỏ và được thiết kế để loại bỏ hay giảm thiểu tiếng ồn của các khác biệt tiềm ẩn tồn tại trong môi trường hoặc tới từ những thiết bị điện tử gần đó.
- Vôn kế phổ biến nhất là thiết bị cầm tay có màn hình cùng hai dây cáp điện tử. Các cáp này kết nối với hai điểm trong mạch và mức điện áp sẽ hiển thị trên màn hình.
Với những thông tin mà Công ty VietChem đã chia sẻ trên mong rằng đã mang đến cho bạn đọc các tư liệu hữu ích volt kế là gì, cấu tạo của vôn kế cũng như ứng dụng của nó. Truy cập vietchem.com.vn thường xuyện để đón đọc nhiều bài viết hấp dẫn khác.
