Contactor kép được kết hợp từ hai contactor đơn, còn được gọi là khởi động từ đảo chiều, dùng để đổi chiều động cơ. Liệu dòng khởi động từ đơn và kép khác nhau ở những điểm nào và làm sao để thiết kế mạch điện cho cả hai dòng này? BTB Electric sẽ có bài phân tích, so sánh và hướng dẫn sẽ sơ đồ mạch điện khởi động từ sau đây.
14 mạch khởi động từ đơn và khởi động từ kép
Những ký hiệu thông dụng trong mạch khởi động từ:
- CB: Viết tắt của circuit breaker – cầu dao
- CC1, CC2: Ký hiệu cầu chì
- D, MT, MN: Ký hiệu các nút dừng và mở thuận/nghịch của contactor
- T, N: Ký hiệu của contactor thuận và nghịch
- RTZ: Ký hiệu rơ le thời gian
- K1: Contactor nối dây hình sao
- K2: Contactor nối dây hình tam giác
- RN: Ký hiệu rơ le nhiệt
Bạn có thể tìm hiểu thêm tại: Ý nghĩa các ký hiệu và thông số trên contactor
Dưới đây là tổng hợp các mạch điện sử dụng khởi động từ đơn, khởi động từ kép được ứng dụng trong sản xuất và thương mại.
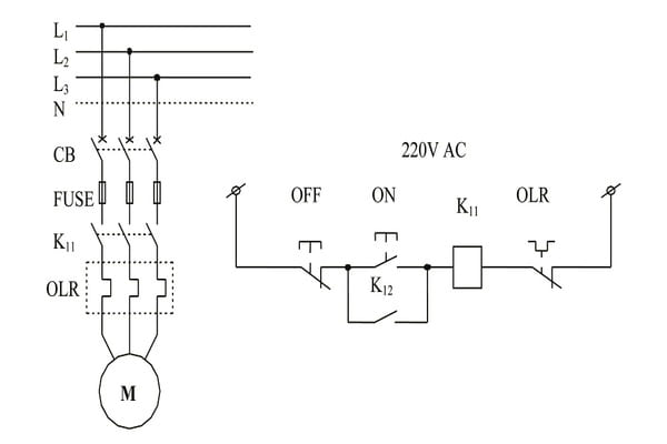
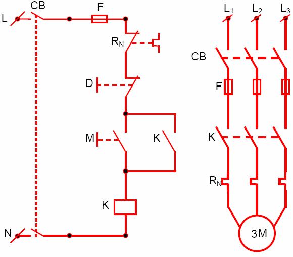
Mạch động cơ 3 pha dùng contactor đơn
Loại mạch động cơ 3 pha với khởi động từ đơn khá phức tạp, chi phí lắp đặt cao tuy nhiên giúp thao tác điều khiển dễ dàng, an toàn khi sử dụng.

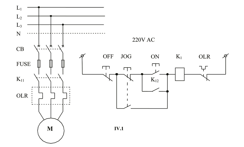
Mạch động cơ 3 pha có thử nháp
Mạch 3 pha thử nháp điều khiển động cơ khá tương đồng với mạch đầu tiên, có thêm bộ nút nhấn liên động JOG (2 tiếp điểm NO và NC nối liền nhau) sử dụng để tạo lực ấn liên tục để động cơ khởi động.

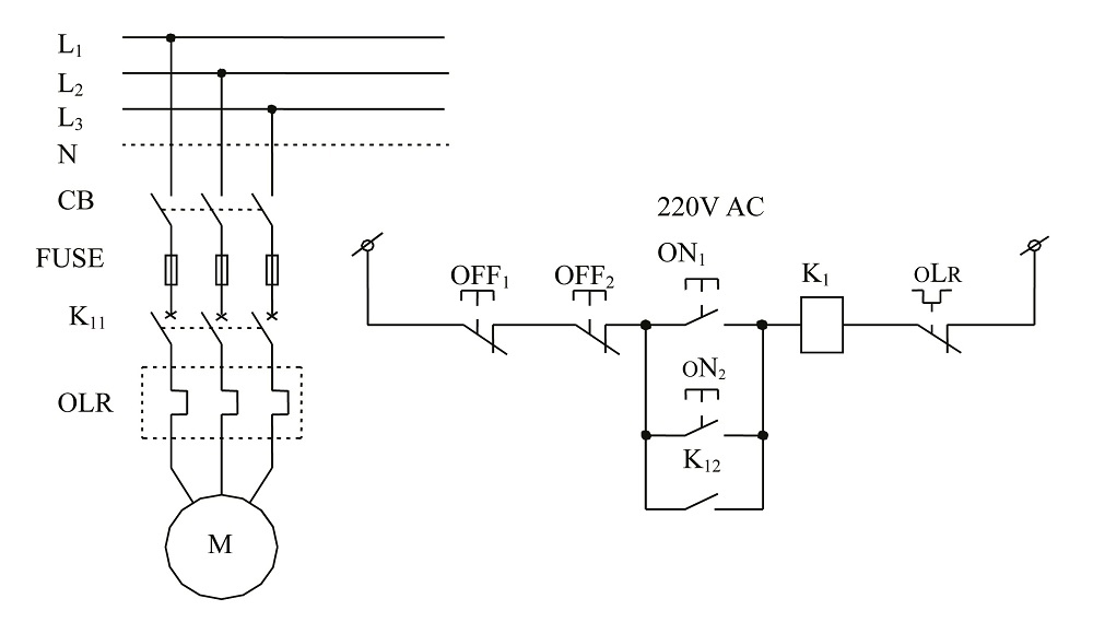
Mạch động cơ 2 vị trí
Mạch động cơ 2 vị trí có sơ đồ khá đơn giản, dễ sử dụng thực tế tuy nhiên lại khá nguy hiểm. Nếu gặp sự cố mất điện thì mạch này ảnh hưởng xấu tới cơ cấu vận hành của hệ thống.

Mạch động cơ lồng sóc đấu cuộn kháng
Mạch này cung cấp nguồn điện cho mạch động lực và mạch điều khiển. Nguyên lý khởi động của mạch động cơ lồng sóc đấu cuộn kháng là nối tiếp với mạch stato và cuộn kháng 3 pha khi khởi động, rồi loại ra và đóng điện trực tiếp.

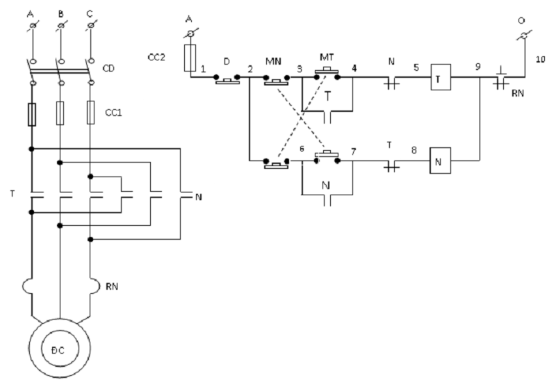
Mạch khởi động sao – tam giác
Mạch khởi động kết hợp sao – tam giác giảm dòng điện vào khi khởi động so với mạch thông thường. Mạch này có cơ chế khởi động hai chiều thuận nghịch. Ở chiều thuận, động cơ làm việc với cuộn dây stato đấu hình sao. Ở chiều nghịch, động cơ làm việc với cuộn dây stato đấu hình tam giác.

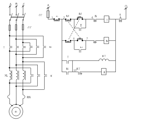
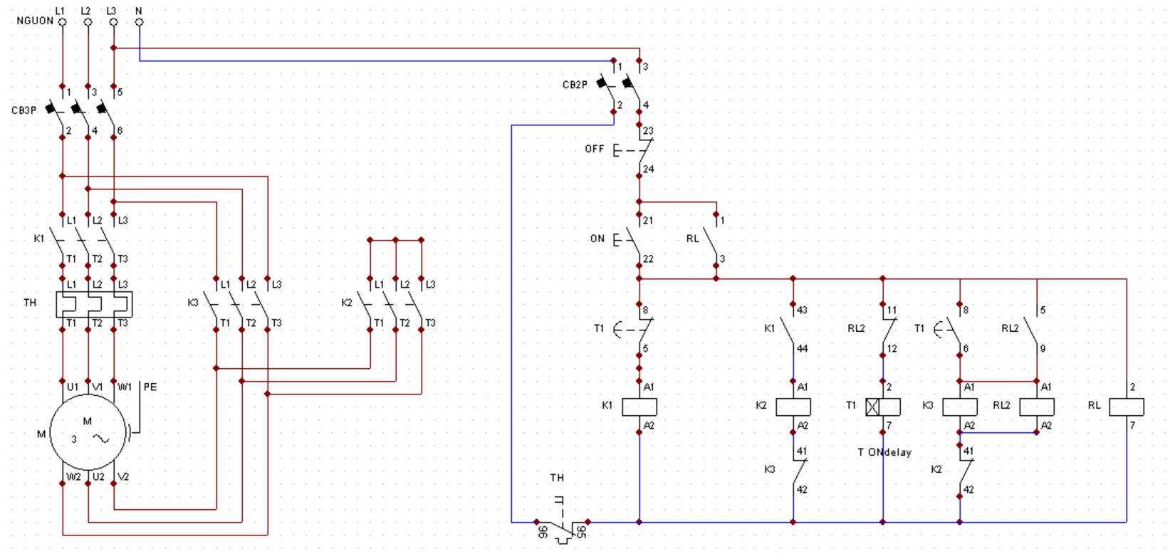
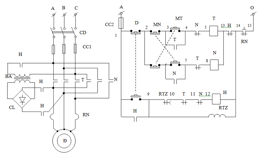
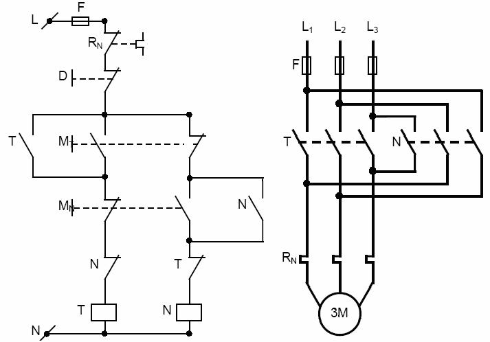
Mạch động cơ 3 pha đảo chiều
Mạch này sử dụng contactor kép để điều khiển động cơ với 2 chiều thuận nghịch.

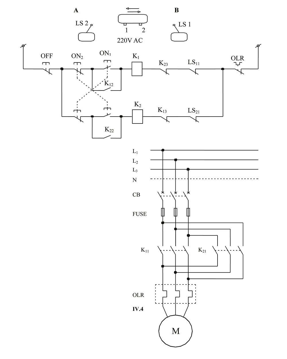
Mạch tự động giới hạn hành trình
Trong mạch tự động giới hạn hành trình, động cơ quay kéo theo tải di chuyển tới vị trí tác động công tắc hành trình làm ngắt điện contactor. Lúc này mạch hở nên không thể điều khiển động cơ chạy theo chiều thuận.

Đọc thêm: Hướng dẫn đấu nối khởi động từ 3 pha và 1 pha chi tiết
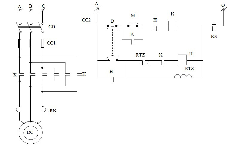
Mạch hãm ngược
Mạch kết hợp khởi động từ đơn và relay thời gian để điều khiển động cơ và hãm ngược.

Mạch hãm động năng
Mạch kết hợp khởi động từ đơn và relay thời gian để điều khiển động cơ và hãm động năng.

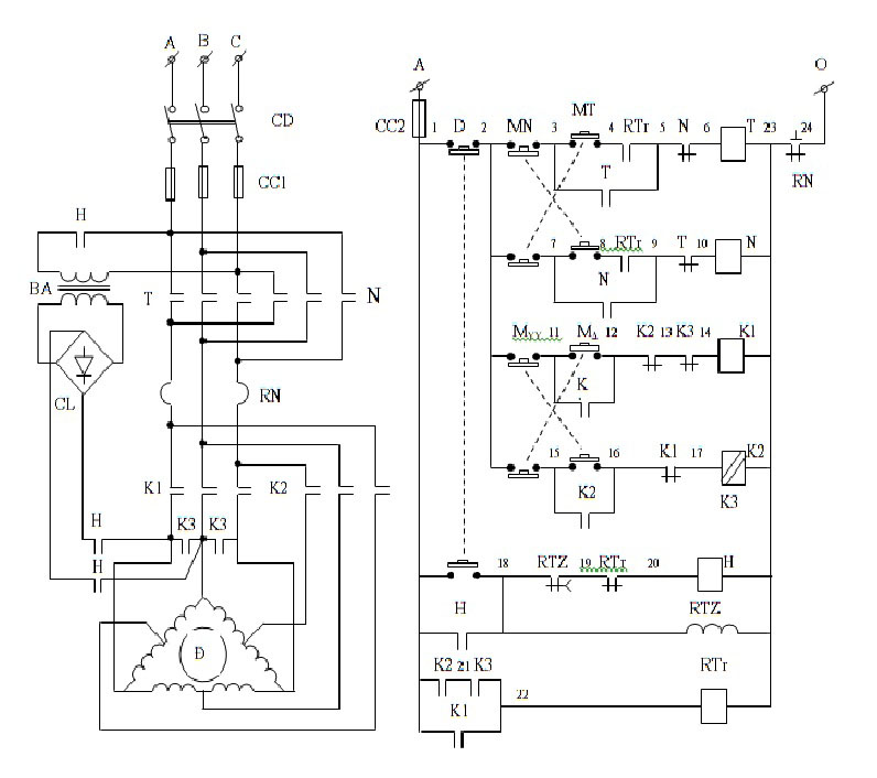
Mạch động cơ 2 cấp sao – tam giác kép
Mạch sử dụng nhiều động cơ đấu với hai cuộn dây nối hình sao và nối hình tam giác để điều khiển động cơ 2 chiều và hãm động năng.

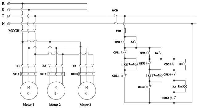
Mạch mở động cơ theo thứ tự
Mạch mở động cơ theo thứ tự để khởi động máy theo đúng trình tự (trong một số nhà máy dây chuyền) để tránh sự cố khởi động sai.

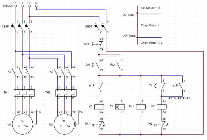
Mạch 2 động cơ luân phiên
Mạch luân phiên sử dụng 2 động cơ trong trường hợp cần sản xuất liên tục để hạn chế suy giảm tuổi thọ động cơ. Mạch còn được dùng để khởi động cả 2 động cơ khi cần tăng công suất.

Mạch động cơ chính – phụ
Mạch này là phương án dự phòng đổi động cơ dự phòng khi động cơ chính gặp sự cố như hỏng hóc, cháy nổ.

Mạch động cơ tự động chuyển nguồn
Mạch động cơ tự động chuyển nguồn là phương án tốt dành cho các nhà máy sản xuất dây chuyền để tự động chuyển nguồn điện, tiếp tục hoạt động cho động cơ.

Phân biệt khởi động từ đơn và khởi động từ kép
Khi quan sát bên ngoài, bạn sẽ thấy khởi động từ kép như được ghép lại bởi 2 khởi động từ đơn giống nhau. Tuy nhiên có thực sự cấu tạo của thiết bị này đơn giản như vậy?
Khái niệm khởi động từ đơn và khởi động từ kép
Khởi động từ (tương đồng với contactor) là thiết bị điều khiển điện hạ áp, có chức năng đóng cắt mạch điện từ xa, bảo vệ dòng điện trước quá tải và một số tình huống khác. Khởi động từ góp phần tăng tính tự động hóa cho hệ thống với việc điều khiển điện từ xa hoặc thông qua nút nhấn.

Khởi động từ kép là dòng có 2 khởi động từ 3 cực được khóa liên động cơ học với nhau qua 2 tiếp điểm phụ. Bên cạnh đó mỗi khởi động từ này cũng có các tiếp điểm phụ riêng để đấu nối với các thiết bị khác.

Khởi động từ kép giúp giảm tải việc đấu dây chung vào 1 tiếp điểm contactor, trường hợp cần điều khiển quá nhiều thiết bị. Khi có contactor kép, các vị trí đấu nối dàn trải giúp tránh làm nóng tiếp điểm gây cháy nổ contactor.
Nguyên lý hoạt động khởi động từ đơn và khởi động từ kép
Bên cạnh việc hoạt động dựa trên nguyên lý đóng/mở tiếp điểm nhờ từ trường cuộn dây của contactor đơn, contactor kép còn có khả năng đảo chiều dòng điện.

Cụ thể nguyên lý hoạt động của contactor kép như sau:
Khi nhấn nút MT làm dòng điện chạy qua, cuộn coil T hút lõi thép di động và làm mạch từ khép kín, đóng các tiếp điểm chính T để khởi động động cơ quay theo chiều thuận, đồng thời đóng tiếp điểm phụ NO để duy trì mạch điều khiển.

Để đảo chiều quay động cơ, nhấn nút nhấn MN để cuộn coil T mất điện. Cuộn coil N có điện hút lõi thép di động và đóng kín mạch từ, đóng các tiếp điểm chính N. Khi đó trên mạch động lực đảo hai dây trong điện 3 pha làm động cơ đảo chiều, quay ngược lại và tiếp điểm phụ NO N được đóng để duy trì mạch điều khiển.
Khi nhấn nút dừng D, 1 trong 2 contactor nhỏ dừng hoạt động, ngắt điện qua động cơ. Khi động cơ bị quá tải, relay nhiệt sẽ ngắt mạch điện và ngắt cả contactor kép.
Trên đây là so sánh nhanh giữa khởi động từ đơn và khởi động từ kép kèm một số mạch điều khiển sử dụng các loại khởi động từ này. Bạn có thể so sánh giữa 2 loại contactor và thông qua bài viết này để chọn mạch động cơ phù hợp. Xem thêm những kiến thức khác về contactor ngay trên website BTB Electric.
