Ôm kế là một trong những dụng cụ điện quan trọng. Tuy nhiên không phải ai cũng hiểu rõ về thiết bị này. Hãy cùng tìm hiểu những thông tin chi tiết hơn về Ôm kế trong bài viết này.
Ôm kế là gì?
Ôm kế hay Ohmmeter là dụng cụ điện dùng để đo điện trở của mạch điện hay khối vật chất. Kết quả đo điện trở theo đơn vị đo điện trở là Ôm, Ohm, hay ký hiệu là Ω. Đơn vị đo này được đặt theo tên của nhà vật lý người Đức, Georg Simon Ohm.
Trong thực tế, khả năng đo của Ôm kế được chia ra các dải khác nhau:
- Micro Ôm kế (microhmmeter hoặc micro-ohmmeter): thực hiện các phép đo điện trở thấp, như của kim loại.
- Ôm kế phổ biến: đo các điện trở thông thường.
- Mega Ôm kế (Megohmmeter, có hãng đăng ký tên là Megger): đo các giá trị lớn của điện trở, như độ cách điện của khối điện môi.
Hoạt động của Ôm kế
Thiết kế truyền thống của Ôm kế gồm một cục pin nhỏ cung cấp một điện thế cho điện trở. Một Gavanô kế đo cường độ dòng điện qua điện trở và theo định luật Ohm, suy ra trị số của điện trở. Cùng với ampe kế và vôn kế, ôm kế còn được sử dụng như một chức năng của đồng hồ vạn năng.
Ký hiệu Ôm kế
Mặt đồng hồ Ôm kế
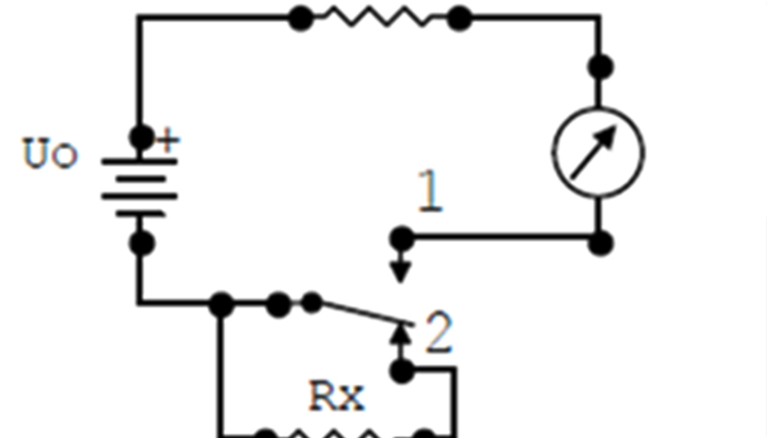
Ôm kế nối tiếp là gì?
Ôm kế nối tiếp mắc điện trở cần đo Rx nối tiếp với cơ cấu chỉ thị (CCCT). Ôm kế loại này thường dung để đo giá trị điện trở Rx cỡ từ Ω trở lên.

Ôm kế nối tiếp
Rp là điện trở phụ bảo vệ CCCT, đảm bảo khi Rx = 0 dòng điện qua cơ cấu đo lớn nhất (hết thang chia độ)
Điện trở trong của Ôm kế:

Đặc điểm của Ôm kế nối tiếp
- Thang chia của Ôm kế nối tiếp ngược chiều với thang chia của Ampe kế và Vôn kế.
- Chỉ số Ôm kế phụ thuộc vào nguồn pin bên trong nên để giảm sai số này, ta mắc thêm chiết áp Rm.
Để kết quả chính xác dù pin bị yếu đi, mỗi lần sử dụng Ôm kế ta đều thực hiện thao tác điều chỉnh zero động / ADJ: ngắn mạch đầu vào (cho Rx = 0 bằng cách chập hai đầu que đo với nhau), vặn núm điều chỉnh của Rm để kim chỉ zero trên thang đo.

Sơ đồ Ôm kế nối tiếp sử dụng chiết áp Rm
Ôm kế song song là gì?
Ôm kế song song mắc điện trở cần đo Rx song song với CCCT. Ôm kế loại này thường dùng để đo giá trị điện trở Rx nhỏ.

Sơ đồ Ôm kế song song sử dụng chiết áp Rm
Đặc điểm của Ôm kế song song
- Thang chia của Ôm kế song song cùng chiều với thang chia của Ampe kế và Vôn kế và không tuyến tính.
- Để đảm bảo kết quả chính xác mắc thêm chiết áp Rm.
Khái niệm chung về đo điện trở
Có 2 phương pháp đo thông số điện trở của mạch là đo trực tiếp và đo gián tiếp.
Đo gián tiếp
Sử dụng ampe kế và vôn kế đo dòng và áp. Sau đó từ các phương trình luật suy ra thông số điện trở.

Sơ đồ mắc Ampe kế và Vôn kế đo điện trở dựa theo định luật Ohm

Sơ đồ mắc Ampe kế hoặc Vôn kế cùng điện trở mẫu đo điện trở
Đo trực tiếp
Dùng các thiết bị xác định trực tiếp thông số cần đo gọi là Ohmmet hay Ohm kế.
Hy vọng những thông tin về Ôm kế đã giúp bạn có thêm kiến thức về dụng cụ này. Hẹn gặp lại trong những bài viết tiếp theo.
Nguồn: Wikipedia
