Biến trở là gì?
Biến trở (tiếng Anh là variable resistor) là một điện trở mà giá trị của nó có thể điều chỉnh được. Biến trở có bản chất là một bộ chuyển đổi điện cơ vì nó hoạt động bằng cách trượt một tiếp điểm trên một phần tử điện trở. Khi biến trở được sử dụng như một bộ chia bằng cách sử dụng 3 cực thì nó được gọi là một chiết áp. Khi chỉ có hai cực, nó hoạt động như một điện trở biến đổi và được gọi là biến trở. Điện trở biến đổi có thể được điều khiển bằng điện tử thay thế cho điều khiển bằng cơ học. Những điện trở này được gọi là chiết áp kỹ thuật số.
Ký hiệu biến trở
Biến trở có ký hiệu là một hình chữ nhật hoặc hình zic zac có mũi tên chỉ xuống như hình bên dưới.
Cấu tạo và nguyên lý hoạt động
Khi chúng ta sử dụng thuật ngữ biến trở, có nghĩa là chúng ta đang nói về điện trở tuyến tính (theo mặc định). Điện trở tuyến tính, như chúng ta biết là những điện trở có giá trị điện trở không đổi, ngay cả khi điện áp và dòng điện qua nó thay đổi. Điện áp và dòng điện tuân theo định luật ohm và tỷ lệ thuận với nhau.
Một biến trở điển hình có 3 cực. Trong số ba cực này, hai cực cố định ở đầu của điện trở. Các cực được làm bằng kim loại. Cực còn lại là một cực di chuyển, thường được gọi là cần gạt. Vị trí của cực này trên dải điện trở quyết định giá trị của biến trở.
Những điện trở này có thể cho ra các giá trị điện trở khác nhau, bằng cách này chúng ta có thể điều chỉnh giá trị điện trở để kiểm soát dòng điện và điện áp.
Để làm như vậy, một dải điện trở được đặt ở giữa hai cực cố định của thiết bị, một cực thứ 3 là một cực di động, sẽ di chuyển trượt trên dải này.
Như ta đã biết: trở kháng của một vật liệu tỷ lệ thuận với chiều dài của vật liệu. Và đó chính là nguyên lý hoạt động của biến trở. Khi thay đổi vị trí của cực thứ 3 ta cũng đồng thời thay đổi chiều dài của vật liệu từ đó thay đổi giá trị điện trở.
Cấu tạo chính của một biến trở là vật liệu có trở kháng. Vật liệu này có thể là một trong các loại sau:
Carbon (còn gọi là biến trở than): Một trong những loại phổ biến nhất, cấu tạo của nó từ vật liệu là hạt cacbon. Chi phí sản xuất thấp, độ nhiễu thấp nên loại này được sản xuất phổ biến. Tuy nhiên, độ chính xác của nó không cao nên các nhà sản xuất đã tìm kiếm các giải pháp thay thế khác.
Dây cuốn: Một vật cách điện được cuốn bằng dây nichrome. Loại này chủ yếu được sử dụng trong các ứng dụng công suất cao, cần tuổi thọ cao và chính xác. Hạn chế duy nhất của loại này là độ phân giải có hạn.
Nhựa dẫn điện: Do độ phân giải của nó, loại này thường được sử dụng trong các ứng dụng âm thanh cao cấp. Ứng dụng của loại này bị hạn chế vì chúng tốn kém và chỉ có thể sử dụng trong các ứng dụng công suất thấp.
Cermet: Một loại vật liệu rất ổn định, nó có hệ số nhiệt độ thấp và có khả năng chịu nhiệt độ cao. Tuy nhiên, loại này có tuổi thọ ngắn và rất đắt.
Các loại biến trở
Một số loại biến trở phổ biến là:
Chiết áp (Potentiometer):

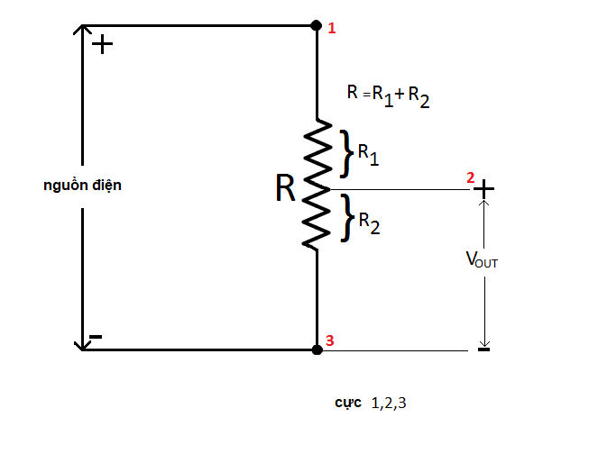
Là loại biến trở có 3 cực, tất cả 3 cực được sử dụng trong một mạch, điện áp đầu ra được lấy từ cực di chuyển, biến trở này được gọi là chiết áp. Nó trông giống như một mạch chia điện áp, như hình dưới đây.
Ở đây, hai cực cố định được nối vào nguồn điện áp. Điều này có nghĩa là điện áp giảm dọc theo đường điện trở, và bằng với điện áp nguồn. Mạch đầu ra được kết nối với cực di chuyể. Bằng cách thay đổi vị trí của cực di chuyển, chúng ta có thể thay đổi điện trở và điện áp trên tải.
Nguyên lý này được sử dụng trong các mạch cần điều khiển điện áp.
Đường điện trở có thể có hình dạng vòng cung hoặc có thể là đường thẳng. Đặc tính này quyết định dạng hình học của chiết áp.
Chiết áp trong sơ đồ mạch được ký hiệu như trong hình bên dưới.
Biến trở điều chỉnh dòng (rheostat):
Biến trở (chính xác là biến trở điều chỉnh dòng điện): Khi một biến trở được sử dụng trong một mạch để điều khiển dòng điện, nó được gọi là biến trở (điều chỉnh dòng). Ở đây một cực sẽ cố định và một cực di động. Cực cố định thứ ba không được sử dụng. Kết nối theo cách này giúp giảm hoặc tăng dòng điện qua mạch bằng cách chỉ thay đổi vị trí của cần gạt. Khi điện trở thay đổi, dòng điện sẽ thay đổi theo hướng nghịch lại. Tức là khi tăng trở kháng, dòng điện qua mạch sẽ giảm.
Vì các điện trở này phải mang theo một lượng lớn dòng điện, nên nó phải đủ mạnh để chịu được dòng điện thay đổi đi qua. Do đó, vật liệu điện trở dây cuốn là lựa chọn phổ biến nhất khi biến trở được sử dụng như một bộ biến trở điều chỉnh dòng.
Chúng ta cũng có thể biến bất kỳ biến trở 3 cực (chiết áp) thành 1 biến trở điều chỉnh dòng. Thực hiện bằng cách đấu dây cực cố định (cực không sử dụng) với cực di động thành 1 cực duy nhất.
Biến trở điều chỉnh dòng được ký hiệu như hình bên dưới:

Biến trở tinh chỉnh:
Biến trở tinh chỉnh là phiên bản thu nhỏ của biến trở và có ba cực. Nó có thể được gắn trực tiếp trên mạch và thông thường giá trị của nó được điều chỉnh chỉ một lần duy nhất trong quá trình hiệu chỉnh mạch. Nó có một vít điều chỉnh gắn vào điện trở, được điều chỉnh bằng cách sử dụng tua vít để có được trở kháng mong muốn. Trở kháng biến thiên theo đường logarit.
Biến trở tinh chỉnh được ký hiệu như hình dưới đây:

