Khi đọc bản vẽ, phải đối chiếu giữa các hình chiếu của vật thể, phân tích hình dạng bằng cách chia ra các phần. Vận dụng các tính chất hình chiếu của các yếu tố hình học cơ bản : điểm, đường, mặt để hình dung từng bộ phận của vật thể đi đến hình dung toàn bộ vật thể. Vì vậy khi đọc bản vẽ phải biết cách phân tích hình dạng vật thể.
Các bước đọc bản vẽ hình chiếu của vật thể:
1. Xác định hướng nhìn đối với vật thể theo tiêu chuẩn ISO hay JIS (xem trong khung tên)
2. Đọc các đường thẳng và bề mặt riêng lẻ xuất hiện trên mỗi hình chiếu và liên hệ chúng với nhau
3. Từ những đường và mặt vừa đọc, hình dung trong đầu và phác họa từng bề mặt.
4. Nhắc lại các bước 2 và 3 cho đến khi đọc được hết các bề mặt của vật thể.
Ví dụ 1: Đọc bản vẽ nắp ổ trục
a. Đọc hình chiếu (hình 1):
Hình chiếu đứng là hình chiếu chủ yếu, sau đó đọc các hình chiếu khác. Cần xác định rõ các phương chiếu của các hình chiếu và sự liên hệ giữa các hình chiếu đó và chia vật thể ra từng phần. Từ hai hình chiếu ta có thể chia nắp ổ trục ra bốn phần : phần giữa, phần bên trái, phần bên phải và phần trên.

Hình 1
b.Phân tích từng phần : ( Hình 2 ).
– Phần giữa của nắp ổ trục có hình chiếu đứng là một nửa hình vành khuyên, hình chiêu bằng là hình chữ nhật. Đối với hình chiếu của khối hình học cơ bản ta biết đó là hình chiếu của nửa ống trụ ( Hình 2a ).
– Phần bên phải và phần bên trái có dạng hình hộp chữ nhật phía đầu vê tròn, ở giữa lỗ hình trụ, nên hình chiếu đứng thể hiện bằng các nết đứt ( Hình 2b,c ).
– Phần trên có hình chiếu đứng là hình chữ nhật, hình chiếu bằng là đường trỏn, đó là hình chiếu của ống trụ. Các nét khuất ở hình chiếu đứng thể hiện lòng ống. Hai cạnh đáy của hai hình chữ nhật ở hình chiếu đứng là đường cong thể hiện giao tuyến của ống trụ đó với hình trụ phần giữa (Hình 2d ).

Hình 2
c. Tổng hợp lại ta hình dung được toàn bộ hình dạng của nắp ổ trục như :
Căn cứ theo hai hình chiếu vuông góc đã cho để vẽ hình chiếu thứ ba của vật thể là một phương pháp kiểm tra bản vẽ. Để vẽ hình chiếu thứ ba trước hết phải đọc bản vẽ và hình dung được hình dạng của vật thể. Sau đó căn cứ vào sự phân tích hình dạng ta lần lượt vẽ hình chiếu thứ ba của từng phần. ( Hình 3 )

Hình 3
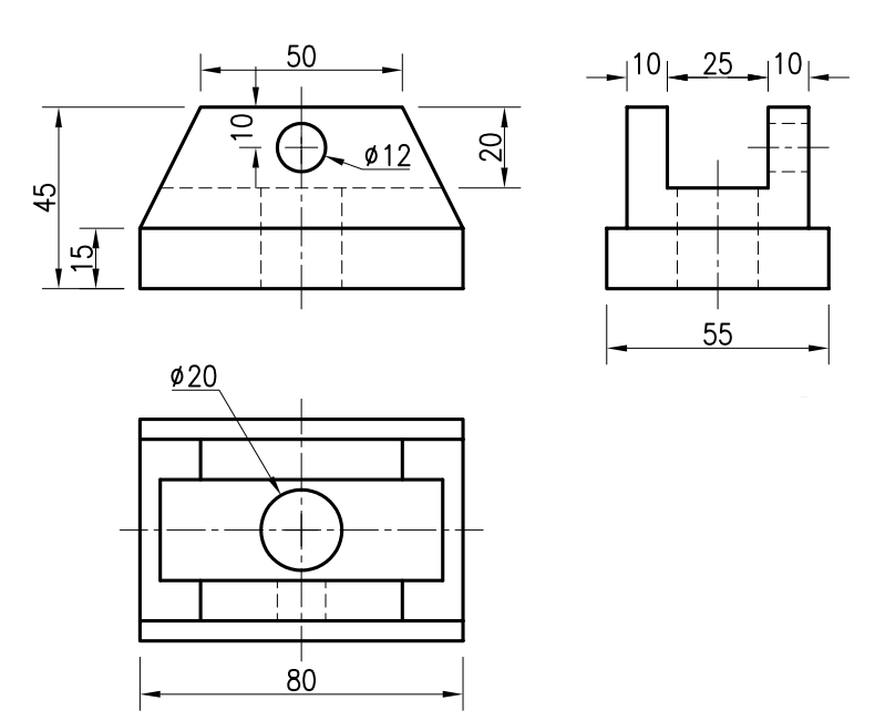
Ví dụ 2 : Đọc bản vẽ của Gối đỡ ( Hình 4).

Hình 4
Căn cứ theo ba hình chiếu, chia vật thể thành ba phần
Phần ổ ở trên dạng hình hộp giữa, có rãnh nửa hình trụ.( hình 5a)
Phần sườn ở hai bên, dạng khối lăng trụ đáy tam giác .( hình 5b)
Phần đế ở dưới, dạng hình hộp có lỗ hình trụ ở hai bên và có gờ hình hộp ở phía trước .( hình 5c)
Kết quả là hình dung ra ổ đỡ như hình chiếu trục đo ( Hình 6)

Hình 5
.png)
Hình 6
Bài tập
Phác họa bản vẽ 3D của các chi tiết sau từ các hình chiếu 2D

Hình 7

Hình 8

Hình 9
Ví dụ về quy trình đọc bản vẽ chi tiết cơ khí
Trung tâm Đào tạo CNC CVTECH là Trung tâm đào tạo nghề và chuyển giao công nghệ chuyên sâu về gia công CNC tại Hà Nội, sau đó giới thiệu học viên sang làm việc tại các Công ty tại Nhật Bản, Hàn Quốc, Việt Nam. Với phương pháp đào tạo gia công CNC thực chiến và ngắn hạn, Trung tâm đang có nhiều khóa học lập trình và vận hành máy cnc cấp tốc tại Hà Nội, đào tạo từ cơ bản đến nâng cao, nhận đào tạo các học viên học nghề gia công CNC từ chưa biết gì, học viên học trái ngành cơ khí, cam kết giới thiệu việc làm thu nhập 8 – 12 triệu/tháng tại Việt Nam và 30 – 60 triệu/tháng tại Nhật Bản, Hàn Quốc ngay sau tốt nghiệp.
Học viên sẽ được học vận hành máy phay CNC và tiện CNC một cách bài bản, thực hành trên máy CNC hiện đại và sản phẩm thực tế không giới hạn thời gian. Ngoài ra, học viên còn được học đọc bản vẽ, thiết kế 2D, 3D, Lập Trình G-code và Lập Trình CNC trên phần mềm MasterCAM. Sau khi học xong, khi nhận bản vẽ học viên có thể tự phân tích, lên quy trình gia công, thiết kế, lập trình CNC, rồi vận hành máy CNC gia công sản phẩm và kiểm tra sản phẩm sau gia công.
THỜI GIAN VÀ HỌC PHÍ CÁC KHÓA HỌC CNC
TẠI TRUNG TÂM ĐÀO TẠO CNC VÀ GIỚI THIỆU VIỆC LÀM CVTECH
TT
TÊN KHÓA HỌC
( click vào tên khóa học để xem chương trình
và đăng ký học)
THỜI GIAN
HỌC PHÍ
LỊCH HỌC
1
Vận hành máy Phay CNC thực chiến
Học tập trung 1 tháng
Tổng: 46 buổi, 180 giờ
7 triệu đồng
(40k/giờ học)
Học chính khóa: 8h – 17h hàng ngày, thứ 2 đến thứ 6 hàng tuần.
Ngoài lịch học chính khóa, học viên được lên Trung tâm thực hành không giới hạn vào buổi tối và cuối tuần.
2
Lập trình máy Phay CNC chuyên sâu
Học tập trung 1 tháng
Tổng: 46 buổi, 180 giờ
6 triệu đồng
(33k/giờ học)
3
Combo khóa 1 + 2: Lập trình và vận hành máy Phay CNC
Học tập trung 2 tháng
Tổng: 92 buổi, 360 giờ
10 triệu đồng
(28k/giờ học)
4
Lập trình và Vận hành máy Tiện CNC
Học tập trung 1 tháng
Tổng: 46 buổi, 180 giờ
7 triệu đồng
(40k/giờ học)
5
Khóa Combo 1 +2 +4: Lập trình và Vận hành máy Phay CNC và Tiện CNC toàn diện
( khóa này được nhiều học viên chọn nhất)
Học tập trung 3 tháng
Tổng: 138 buổi, 540 giờ
15 triệu đồng
(28k/giờ học)
Đặc biệt, tại Trung tâm Đào tạo CNC CVTECH, các bạn học xong nếu thấy chưa tự tin vào tay nghề thì được học lại miễn phí đến thành nghề thì thôi.
Các bạn muốn học nghề cơ khí ngắn hạn, học vận hành máy CNC ngắn hạn, học lập trình CNC, lập trình tiện CNC, lập trình máy CNC, học CNC cấp tốc, nâng cao tay nghề về gia công CNC hãy liên hệ tìm hiểu và đăng ký nhé.
CÔNG TY TNHH ĐÀO TẠO VÀ CÔNG NGHỆ CVTECH VIỆT NAM
TRUNG TÂM ĐÀO TẠO CNC VÀ GIỚI THIỆU VIỆC LÀM CVTECH
Địa chỉ: Lô 2 – Cụm Công nghiệp Lai Xá – Hoài Đức – TP Hà Nội ( Cách ĐH Công nghiệp Hà Nội 1 km)
Dẫn đường : https://maps.app.goo.gl/ByeSwkAZ9ARbKdKs6
Hotline – Zalo : Mr Quyết 0969.081.015 – 0902.084.778
Mr Quân: 0941.568.790
