Tụ điện là gì?
Tụ điện ( tiếng anh là capacitor) là một linh kiện điện tử thụ động cấu tạo bởi hai bản cực đặt song song được ngăn cách bởi lớp điện môi, tụ điện có tính chất cách điện 1 chiều nhưng cho dòng điện xoay chiều đi qua nhờ nguyên lý phóng nạp.
Ký hiệu: Tụ điện có ký hiệu là C
Ký hiệu của tụ điện trong mạch điện
Hình dáng thực tế của tụ điện
Cấu tạo của tụ điện
Cấu tạo của tụ điện gồm ít nhất hai dây dẫn điện thường ở dạng tấm kim loại. Hai bề mặt này được đặt song song với nhau và được ngăn cách bởi một lớp điện môi.

Cấu tạo của tụ điện
Dây dẫn của tụ điện có thể sử dụng là giấy bạc, màng mỏng,…
Điện môi sử dụng cho tụ điện là các chất không dẫn điện như thủy tinh, giấy, giấy tẩm hoá chất, gốm, mica, màng nhựa hoặc không khí. Các điện môi này không dẫn điện nhằm tăng khả năng tích trữ năng lượng điện của tụ điện. Tùy theo lớp cách điện ở giữa hai bản cực là gì thì tụ có tên gọi tương ứng.
Điện dung , đơn vị và ký hiệu của tụ điện
Điện dung : Là đại lượng nói lên khả năng tích điện trên hai bản cực của tụ điện, điện dung của tụ điện phụ thuộc vào diện tích bản cực, vật liệu làm chất điện môi và khoảng cách giữ hai bản cực theo công thức C = ξ . S / d
-
-
Trong đó C : là điện dung tụ điện , đơn vị là Fara (F)
-
-
-
ξ : Là hằng số điện môi của lớp cách điện.
-
-
-
d : là chiều dày của lớp cách điện.
-
-
-
S : là diện tích bản cực của tụ điện.
-
Đơn vị điện dung của tụ : Đơn vị là Fara (F) , 1Fara là rất lớn do đó trong thực tế thường dùng các đơn vị nhỏ hơn như MicroFara (µF) , NanoFara (nF), PicoFara (pF).
-
-
1 Fara = 1.000.000 µ Fara = 1.000.000.000 n F = 1.000.000.000.000 p F
-
-
-
1 µ Fara = 1.000 n Fara
-
-
-
1 n Fara = 1.000 p Fara
-
Ký hiệu : Tụ điện có ký hiệu là C (Capacitor)
Đơn vị của tụ điện là Fara (F), 1 Fara có trị số rất lớn và trong thực tế người ta thường dùng các đơn vị nhỏ hơn như: 1µF=10-6F; 1ηF=10-9F; 1pF=10-12F
Ngoài khái niệm về điện dung thì trong tụ điện người ta thường nhắc tới điện môi vậy điện môi là gì?
Điện môi là chất dẫn điện kém, là các vật chất có điện trở suất cao (107 ÷ 1017Ω.m) ở nhiệt độ bình thường. Chất cách điện gồm phần lớn các vật liệu vô cơ cũng như hữu cơ.
Công thức tính điện dung của tụ điện
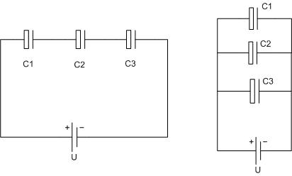
Tụ điện mắc nối tiếp
Các tụ điện mắc nối tiếp có điện dung tương đương C tđ được tính bởi công thức : 1 / C tđ = (1 / C1 ) + ( 1 / C2 ) + ( 1 / C3 )
Trường hợp chỉ có 2 tụ mắc nối tiếp thì C tđ = C1.C2 / ( C1 + C2 )
Khi mắc nối tiếp thì điện áp chịu đựng của tụ tương đương bằng tổng điện áp của các tụ cộng lại. U tđ = U1 + U2 + U3
Khi mắc nối tiếp các tụ điện, nếu là các tụ hoá ta cần chú ý chiều của tụ điện, cực âm tụ trước phải nối với cực dương tụ sau:

Tụ điện mắc nối tiếp Tụ điện mắc song song
Tụ điện mắc song song.
Các tụ điện mắc song song thì có điện dung tương đương bằng tổng điện dung của các tụ cộng lại . C = C1 + C2 + C3
Điện áp chịu đựng của tụ điện tương tương bằng điện áp của tụ có điện áp thấp nhất.
Nếu là tụ hoá thì các tụ phải được đấu cùng chiều âm dương.
Cách đọc giá trị điện dung trên tụ điện
Với tụ hoá : Giá trị điện dung của tụ hoá được ghi trực tiếp trên thân tụ
=> Tụ hoá là tụ có phân cực (-) , (+) và luôn luôn có hình trụ .
Tụ hoá ghi điện dung là 185 µF / 320 V
Với tụ giấy , tụ gốm : Tụ giấy và tụ gốm có trị số ghi bằng ký hiệu
Tụ gốm ghi trị số bằng ký hiệu.
-
-
Cách đọc : Lấy hai chữ số đầu nhân với 10(Mũ số thứ 3 )
-
-
-
Ví dụ tụ gốm bên phải hình ảnh trên ghi 474K nghĩa là Giá trị = 47 x 10 4 = 470000 p ( Lấy đơn vị là picô Fara) = 470 n Fara = 0,47 µF
-
-
-
Chữ K hoặc J ở cuối là chỉ sai số 5% hay 10% của tụ điện .
-
Thực hành đọc trị số của tụ điện
Cách đọc trị số tụ giất và tụ gốm . Chú ý : chữ K là sai số của tụ . 50V là điện áp cực đại mà tụ chịu được.
* Tụ giấy và tụ gốm còn có một cách ghi trị số khác là ghi theo số thập phân và lấy đơn vị là MicroFara
Một cách ghi trị số khác của tụ giấy và tụ gốm.
Ý nghĩa của giá trị điện áp ghi trên thân tụ
-
-
Ta thấy rằng bất kể tụ điện nào cũng được ghi trị số điện áp ngay sau giá trị điện dung, đây chính là giá trị điện áp cực đại mà tụ chịu được, quá điện áp này tụ sẽ bị nổ.
-
-
-
Khi lắp tụ vào trong một mạch điện có điện áp là U thì bao giờ người ta cũng lắp tụ điện có giá trị điện áp Max cao gấp khoảng 1,4 lần.
-
-
Ví dụ mạch 12V phải lắp tụ 16V, mạch 24V phải lắp tụ 35V. vv..
Các loại tụ điện thông dụng:
Tụ hóa hay còn gọi là tụ phân cực
là tụ có phân cực (-), (+) và luôn có hình trụ. Trên thân tụ được thể hiện giá trị điện dung, điện dung thường từ 0,47 µF đến 4700 µF
Tụ gốm, tụ giấy, tụ mica, tụ kẹo, tụ cao áp, tụ sứ ( tụ không phân cực)
là tụ không phân cực và có hình dẹt, không phân biệt âm dương. Có trị số được ký hiệu trên thân bằng ba số, điện dung của tụ thường khá nhỏ, chỉ khoảng 0,47 µF
Tụ xoay
là tụ có thể xoay để thay đổi giá trị điện dung, tụ này thường được lắp trong Radio để thay đổi tần số cộng hưởng khi ta dò đài.
Tụ Lithium ion
có năng lượng cực cao dùng để tích điện 1 chiều
Nguyên lý hoạt động của tụ điện

Nguyên lý hoạt động của tụ điện
Tụ điện có khả năng tích trữ năng lượng dưới dạng năng lượng điện trường bằng cách lưu trữ các electron, nó cũng có thể phóng ra các điện tích này để tạo thành dòng điện. Đây chính là tính chất phóng nạp của tụ, nhờ có tính chất này mà tụ có khả năng dẫn điện xoay chiều. Nếu điện áp của hai bản mạch không thay đổi đột ngột mà biến thiên theo thời gian mà ta cắm nạp hoặc xả tụ rất dễ gây ra hiện tượng nổ có tia lửa điện do dòng điện tăng vọt. Đây là nguyên lý nạp xả của tụ điện khá phổ biến.
Cách đo kiểm tra tụ điện sống chết còn tốt không? bằng đồng hồ vạn năng
Đo kiểm tra tụ giấy và tụ gốm.
Tụ giấy và tụ gốm thường hỏng ở dạng bị dò rỉ hoặc bị chập, để phát hiện tụ dò rỉ hoặc bị chập ta quan sát hình ảnh sau đây .
Đo kiểm tra tụ giấy hoặc tụ gốm .
Ở hình ảnh trên là phép đo kiểm tra tụ gốm, có ba tụ C1 , C2 và C3 có điện dung bằng nhau, trong đó C1 là tụ tốt, C2 là tụ bị dò và C3 là tụ bị chập.
Khi đo tụ C1 ( Tụ tốt ) kim phóng lên 1 chút rồi trở về vị trí cũ. ( Lưu ý các tụ nhỏ quá < 1nF thì kim sẽ không phóng nạp )
Khi đo tụ C2 ( Tụ bị dò ) ta thấy kim lên lưng chừng thang đo và dừng lại không trở về vị trí cũ.
Khi đo tụ C3 ( Tụ bị chập ) ta thấy kim lên = 0 Ω và không trở về.
Lưu ý: Khi đo kiểm tra tụ giấy hoặc tụ gốm ta phải để đồng hồ ở thang x1KΩ hoặc x10KΩ, và phải đảo chiều kim đồng hồ vài lần khi đo.
Đo kiểm tra tụ hoá
Tụ hoá ít khi bị dò hay bị chập như tụ giấy, nhưng chúng lại hay hỏng ở dạng bị khô ( khô hoá chất bên trong lớp điện môi ) làm điện dung của tụ bị giảm , để kiểm tra tụ hoá , ta thường so sánh độ phóng nạp của tụ với một tụ còn tốt có cùng điện dung, hình ảnh dưới đây minh hoạ các bước kiểm tra tụ hoá.
Đo kiểm tra tụ hoá
Để kiểm tra tụ hoá C2 có trị số 100µF có bị giảm điện dung hay không, ta dùng tụ C1 còn mới có cùng điện dung và đo so sánh.
Để đồng hồ ở thang từ x1Ω đến x100Ω ( điện dung càng lớn thì để thang càng thấp )
Đo vào hai tụ và so sánh độ phóng nạp , khi đo ta đảo chiều que đo vài lần.
Nếu hai tụ phóng nạp bằng nhau là tụ cần kiểm tra còn tốt, ở trên ta thấy tụ C2 phóng nạp kém hơn do đó tụ C2 ở trên đã bị khô.
Trường hợp kim lên mà không trở về là tụ bị dò.
Công dụng của tụ điện
- Tác dụng của tụ điện được biết đến nhiều nhất là khả năng lưu trữ năng lượng điện, lưu trữ điện tích hiệu quả. Nó được so sánh với khả năng lưu trữ như ắc-qui. Tuy nhiên, ưu điểm lớn của tụ điện là lưu trữ mà không làm tiêu hao năng lượng điện.
- Ngoài ra, công dụng tụ điện còn cho phép điện áp xoay chiều đi qua, giúp tụ điện có thể dẫn điện như một điện trở đa năng. Đặc biệt khi tần số điện xoay chiều (điện dung của tụ càng lớn) thì dung kháng càng nhỏ. Hỗ trợ đắc lực cho việc điện áp được lưu thông qua tụ điện.
- Hơn nữa, do nguyên lý hoạt động của tụ điện là khả năng nạp xả thông minh, ngăn điện áp 1 chiều, cho điện áp xoay chiều lưu thông giúp truyền tí hiệu giữa các tầng khuyếch đại có chênh lệch điện thế.
- Tụ điện còn có vai trò lọc điện áp xoay chiều thành điện áp 1 chiều bằng phẳng bằng cách loại bỏ pha âm.
Ứng dụng của tụ điện trong thực tế:
- Tụ điện được sử dụng phổ biến trong kỹ thuật điện và điện tử.
- Ứng dụng trong hệ thống âm thanh xe hơi bởi tụ điện lưu trữ năng lượng cho bộ khuếch đại được sử dụng.
- Tụ điện có thể để xây dựng các bộ nhớ kỹ thuật số động cho các máy tính nhị phân sử dụng các ống điện tử.
- Trong các chế tạo đặc biệt về vấn đề quân sự, ứng dụng của tụ điện dùng trong các máy phát điện, thí nghiệm vật lý, radar, vũ khí hạt nhân,…
- Ứng dụng của tụ điện trong thực tế lớn nhất là việc áp dụng thành công nguồn cung cấp năng lượng, tích trữ năng lượng.
- Và nhiều hơn nữa những tác dụng của tụ điện như xử lý tín hiệu, khởi động động cơ, mạch điều chỉnh,…
