Quá trình gia công cơ khí không thể thiếu bản vẽ kỹ thuật. Vậy bản vẽ kỹ thuật là gì? Có những loại bản vẽ cơ khí nào? Những thông tin mà Đa Hình cung cấp ngay sau đây sẽ giúp các bạn hiểu rõ hơn về bản vẽ kỹ thuật trong gia công cơ khí.

Tham khảo: Hướng dẫn cách đọc bản vẽ cơ khí chi tiết A-Z
Bản vẽ kỹ thuật là gì?
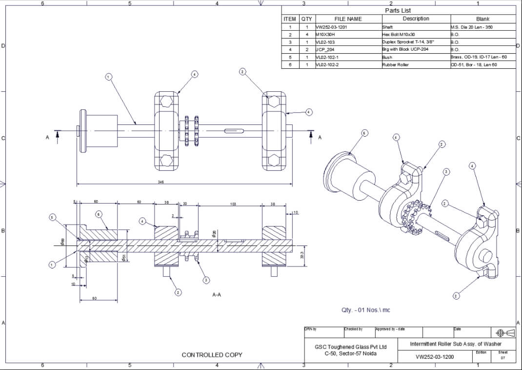
Bản vẽ kỹ thuật hay bản vẽ cơ khí là một tác phẩm của ngành kỹ thuật, là ngôn ngữ để các kỹ sư cơ khí thể hiện, mô tả hình dáng, kích thước, vật liệu, đặc tính kỹ thuật,…của các vật thể, chi tiết,….
Bản vẽ kỹ thuật truyền thống thường được biểu diễn dạng 2D. Hiện nay với sự phát triển của khoa học công nghệ cho ra đời các bản vẽ ở dạng 3D có khả năng mô tả vật thể trực quan hơn.
Bản vẽ kỹ thuật là phương tiện giao tiếp (thiết kế, thi công, sử dụng sản phẩm) trong kỹ thuật, nó bao gồm các hình biểu diễn (hình chiếu, hình cắt..), các số liệu ghi kích thước, các yêu cầu kỹ thuật…., nó được vẽ theo một quy tắc thống nhất (iso) nhằm thể hiện hình dạng, kết cấu, độ lớn… của vật thể.

Trên bản vẽ cơ khí sẽ bao gồm các hình biểu diễn, số liệu ghi kích thước, yêu cầu kỹ thuật của một chi tiết hay một bộ phận theo những quy tắc thống nhất của Nhà nước và Quốc tế.
Ngoài ra có thể nói bản vẽ kỹ thuật là một loại tài sản trí tuệ, được đăng ký bản quyền, được mua, bán trao đổi.

Vai trò của bản vẽ cơ khí
Bản vẽ kỹ thuật đóng một vai trò rất quan trọng trong quá trình gia công cơ khí. Nó là tài liệu cơ bản và đầy đủ thông tin nhất để những người thợ cơ khí có thể chế tạo, gia công ra đúng sản phẩm đúng với thiết kế trên bản vẽ.
Sau khi sản phẩm được gia công hoàn thiện, người ta cũng dựa vào bản vẽ để kiểm tra, đánh giá các thông số kỹ thuật, nghiệm thu sản phẩm vừa chế tạo.
Thông qua bản vẽ cơ khí, chúng ta có thể biết được hình dạng, kết cấu, độ lớn, màu sắc cùng nhiều thông tin khác… của chi tiết, vật thể đó.
Có thể nói rằng, bản vẽ kỹ thuật chính là kim chỉ nam không thể thiếu trong quá trình sản xuất cơ khí. Chúng đóng vai trò rất quan trọng trong việc tạo ra sản phẩm chất lượng và có độ chính xác cao. Người sử dụng cũng có thể dựa vào bản vẽ để sử dụng sản phẩm an toàn, hiệu quả, thuận tiện cho quá trình bảo trì, thay thế, bảo dưỡng.
Bản vẽ kỹ thuật được dùng trong quá trình nào?
Như vậy bản vẽ kỹ thuật được dùng trong quá trình Chết tạo – Lắp ráp – Vận hành và sửa chữa.
Trong quá trình gia công chế tạo sản phẩm hoàn thiện các kỹ sư cơ khí cần dựa vào bản vẽ kỹ thuật để hoàn thiện sản phẩm theo đúng yêu cầu.
Phân loại bản vẽ kỹ thuật trong gia công cơ khí
Có mấy loại bản vẽ kỹ thuật?
Trong gia công cơ khí, bản vẽ kỹ thuật được chia làm 4 loại chính gồm: Bản vẽ chi tiết, bản vẽ lắp ráp (hay bản vẽ kết cấu), bản vẽ tháo rời và bản vẽ sơ đồ.
Chúng ta cùng tìm hiểu chi tiết 4 loại bản vẽ kỹ thuật dưới đây:
Bản vẽ chi tiết
Trong thiết kế và gia công cơ khí, bản vẽ chi tiết và bản vẽ lắp ráp là hai bản vẽ quan trọng nhất. Vì để chế tạo ra 1 cỗ máy, trước hết phải sản xuất từng chi tiết, sau đó lắp ráp các chi tiết đó lại với nhau.
Bản vẽ chi tiết là bản vẽ thể hiện hình dạng, kích thước và các yêu cầu kỹ thuật của từng chi tiết và thường đi kèm với bản vẽ tổng thể. Chúng là tài liệu kỹ thuật dùng trong việc chế tạo và kiểm tra chi tiết.
Bản vẽ lắp ráp
Bản vẽ lắp ráp diễn tả hình dạng, kết cấu của một nhóm bộ phận hoặc 1 sản phẩm và vị trí tương quan giữa các chi tiết. Đây là tài liệu dùng trong thiết kế, lắp ráp và sử dụng sản phẩm.
Bản vẽ tháo rời
Bản vẽ tháo rời thể hiện các hình ảnh không gian ba chiều với từng chi tiết đã tháo rời và đang đứng ở vị trí có thể lắp ráp bất kỳ lúc nào. Bản vẽ này thường dùng trong trường hợp cần giải thích, quảng cáo hoặc trình bày cho những người không có chuyên môn về kỹ thuật.
Bản vẽ sơ đồ
Bản vẽ sơ đồ là bản vẽ phẳng gồm một số ký hiệu đơn giản được quy ước để thể hiện các nguyên lý hoạt động như: sơ đồ mạch điện động lực, sơ đồ giải thuật của tin học, sơ đồ cơ cấu nguyên lý máy, điều khiển PLC, điều khiển động cơ.
Phần mềm thiết kế bản vẽ kỹ thuật thông dụng nhất
Phần mềm thiết kế 2D
- Auto CAD
- Inkscape
- Adobe Illustrator
- CorelDraw
Phần mềm thiết kế 3D
- Autodesk Inventor
- Solidworks
- Autodesk Fusion 360
Xem thêm: TOP 10 phần mềm thiết kế bản vẽ kỹ thuật cơ khí phổ biến nhất thế giới
Kết luận
Trên đây là một số thông tin cơ bản về bản vẽ kỹ thuật trong gia công cơ khí. Nếu bạn gặp khó khăn trong việc đọc bản vẽ cơ khí hoặc cần gia công cơ khí, gia công kim loại tấm, cắt laser theo bản vẽ, gia công hoàn thiện sản phẩm theo yêu cầu, hãy liên hệ với Công ty Đa Hình để được tư vấn và hỗ trợ nhanh nhất.
>>> Tham khảo thêm: Công ty gia công cơ khí uy tín tại Hà Nội
